- +7 (812) 245-39-95
- Россия, г. Санкт-Петербург
- mail@rivedrill.ru

DIN 16903. Втулка резьбовая для пластиковых деталей
Втулки резьбовые закладные предназначены для заливки в изделия из пластика в качестве крепежных элементов, которые обеспечивают более прочное винтовое соединение, чем саморезы.
Резьбовые втулки располагаются в изделии предварительно, до того как оно будет залито пластиком. Именно поэтому их часто называют закладными для литья, вставки резьбовые, вставки для литья – они закладываются в пресс-форму ещё до создания детали. Установка может производиться как вручную, так и автоматически.
Втулки резьбовые закладные имеют негладкую боковую поверхность, которая препятствует проворачиванию, а также перемещению втулок вдоль оси при установке винта. Часто на боковой поверхности закладных резьбовых втулок выполняется проточка, которая также обеспечивает более прочное соединение с пластмассой.
Резьбовые втулки для литья пластмасс подходят для всех видов пластика.

Мы предлагаем сквозные и глухие резьбовые втулки для пластиковых деталей различных форм и размеров согласно немецкому стандарту DIN 16903. Втулки производятся из латуни, углеродистой автоматной и нержавеющей стали. Также мы можем изготовить втулки по вашим эскизам из нужного вам материала с покрытием по вашему запросу.
Стандартные материалы:
- Латунь без покрытия (2.0401, CuZn39Pb3, MS58, аналог ЛС59-3).
- Сталь автоматная без покрытия (1.0718/737, 11SMnPb30/37+C, Stahl 5 S, аналог АС14).
- Сталь нержавеющая (1.4305, X8CrNiS 18-9, аналог 12Х18Н9).
Втулки DIN 16903 используют при производстве композитных, стальных и пластиковых деталей, электротехнической продукции. Закладные резьбовые втулки для литья широко применяются в производстве литых деталей из пластмасс и других материалов.
КАТАЛОГ РЕЗЬБОВЫХ ВТУЛОК по DIN 16903:
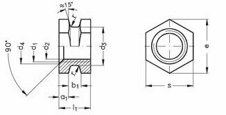
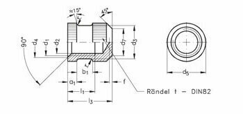
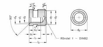
Стандарт DIN 16903-1 (1974) - сквозные резьбовые втулки для пластиковых деталей.
DIN 16903-1 Форма A
Сквозная резьбовая втулка
Шестигранная без выступа.
DIN 16903 Form A-M3. Латунь — В НАЛИЧИИ!
DIN 16903 Form A-M4. Латунь — В НАЛИЧИИ!
DIN 16903 Form A-M5. Латунь — В НАЛИЧИИ!
DIN 16903 Form A-M6. Латунь — В НАЛИЧИИ!
DIN 16903 Form A-M8. Латунь — В НАЛИЧИИ!
DIN 16903 Form A-M10. Латунь — В НАЛИЧИИ!


DIN 16903-1 Форма B
Сквозная резьбовая втулка
Круглая без выступа.
DIN 16903 Form B-M2. Латунь — В НАЛИЧИИ!
DIN 16903 Form B-M2.5. Латунь — В НАЛИЧИИ!
DIN 16903 Form B-M3. Латунь — В НАЛИЧИИ!
DIN 16903 Form B-M4. Латунь — В НАЛИЧИИ!
DIN 16903 Form B-M5. Латунь — В НАЛИЧИИ!
DIN 16903 Form B-M6. Латунь — В НАЛИЧИИ!


DIN 16903-1 Форма C
Сквозная резьбовая втулка
Шестигранная с выступом.
DIN 16903 Form C-M3. Латунь — В НАЛИЧИИ!
DIN 16903 Form C-M4. Латунь — В НАЛИЧИИ!
DIN 16903 Form C-M5. Латунь — В НАЛИЧИИ!
DIN 16903 Form C-M6. Латунь — В НАЛИЧИИ!
DIN 16903 Form C-M8. Латунь — В НАЛИЧИИ!
DIN 16903 Form C-M10. Латунь — В НАЛИЧИИ!


DIN 16903-1 Форма D
Сквозная резьбовая втулка
Круглая с выступом.
DIN 16903 Form D-M2. Латунь — В НАЛИЧИИ!
DIN 16903 Form D-M2.5. Латунь — В НАЛИЧИИ!
DIN 16903 Form D-M3. Латунь — В НАЛИЧИИ!
DIN 16903 Form D-M4. Латунь — В НАЛИЧИИ!
DIN 16903 Form D-M5. Латунь — В НАЛИЧИИ!
DIN 16903 Form D-M6. Латунь — В НАЛИЧИИ!


Таблица размеров резьбовых втулок по стандарту DIN 16903-1 1974.
Форма A-B-C-D
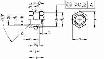
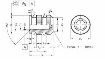
Стандарт STN26 (аналог DIN 16903-2 (1974)) - глухие резьбовые втулки для пластиковых деталей.
STN26 (аналог DIN 16903-2 Форма E)
Глухая резьбовая втулка
Шестигранная без выступа.
DIN 16903 Form E-M4. Латунь — В НАЛИЧИИ!
DIN 16903 Form E-M8. Латунь — В НАЛИЧИИ!


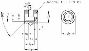
STN26 (аналог DIN 16903-2 Форма F)
Глухая резьбовая втулка
Круглая без выступа.
DIN 16903 Form F-M3. Латунь — В НАЛИЧИИ!
DIN 16903 Form F-M4. Латунь — В НАЛИЧИИ!
DIN 16903 Form F* - M5*5. Латунь — В НАЛИЧИИ!


STN26 (аналог DIN 16903-2 Форма G)
Глухая резьбовая втулка
Шестигранная с выступом.
DIN 16903 Form G-M4. Латунь — В НАЛИЧИИ!
DIN 16903 Form G-M5. Латунь — В НАЛИЧИИ!
DIN 16903 Form G-M6. Латунь — В НАЛИЧИИ!
DIN 16903 Form G-M8. Латунь — В НАЛИЧИИ!


STN26 (аналог DIN 16903-2 Форма H)
Глухая резьбовая втулка
Круглая с выступом.
DIN 16903 Form H-M3. Латунь — В НАЛИЧИИ!
DIN 16903 Form H-M4. Латунь — В НАЛИЧИИ!
DIN 16903 Form H-M5. Латунь — В НАЛИЧИИ!
DIN 16903 Form H-M6. Латунь — В НАЛИЧИИ!


Таблица размеров резьбовых втулок по стандарту STN26 (аналог DIN 16903-2 (1974)).
Форма E-F-G-H
Стандарт DIN 16903-3 (1974) - глухие резьбовые втулки для пластиковых деталей.
DIN 16903-3 Форма P
Глухая резьбовая втулка
Шестигранная без выступа.
DIN 16903 Form P-M4. Латунь — В НАЛИЧИИ!


DIN 16903-3 Форма Q
Глухая резьбовая втулка
Круглая без выступа.
DIN 16903 Form Q-M4. Латунь — В НАЛИЧИИ!
DIN 16903 Form Q-M5. Латунь — В НАЛИЧИИ!
DIN 16903 Form A-M6. Латунь — В НАЛИЧИИ!


DIN 16903-3 Форма R
Глухая резьбовая втулка
Шестигранная с выступом.
DIN 16903 Form R-M5. Латунь — В НАЛИЧИИ!
DIN 16903 Form R-M8. Латунь — В НАЛИЧИИ!
DIN 16903 Form R-M10. Латунь — В НАЛИЧИИ!


DIN 16903-3 Форма S
Глухая резьбовая втулка
Шестигранная с выступом.
DIN 16903 Form S-M3. Латунь — В НАЛИЧИИ!
DIN 16903 Form S-M4. Латунь — В НАЛИЧИИ!
DIN 16903 Form S-M5. Латунь — В НАЛИЧИИ!


Таблица размеров резьбовых втулок по стандарту DIN 16903-3 (1974).
Форма P-Q-R-S.
DIN 16903 Form A-M3. Латунь — В НАЛИЧИИ!
DIN 16903 Form A-M4. Латунь — В НАЛИЧИИ!
DIN 16903 Form A-M5. Латунь — В НАЛИЧИИ!
DIN 16903 Form A-M6. Латунь — В НАЛИЧИИ!
DIN 16903 Form A-M8. Латунь — В НАЛИЧИИ!
DIN 16903 Form A-M10. Латунь — В НАЛИЧИИ!
Стандарт DIN 16903-4 (1991) - глухие резьбовые втулки для пластиковых деталей.
DIN 16903-4 Форма T
Глухая резьбовая втулка
Круглая без выступа.
DIN 16903 Form T-M3. Латунь — В НАЛИЧИИ!
DIN 16903 Form T-M4. Латунь — В НАЛИЧИИ!
DIN 16903 Form T-M6. Латунь — В НАЛИЧИИ!


DIN 16903-4 Форма U
Глухая резьбовая втулка
Круглая удлиненная.
DIN 16903 Form U-M4. Латунь — В НАЛИЧИИ!
DIN 16903 Form U-M6. Латунь — В НАЛИЧИИ!
DIN 16903 Form U-M8. Латунь — В НАЛИЧИИ!
DIN 16903 Form U-M10. Латунь — В НАЛИЧИИ!


Таблица размеров резьбовых втулок по стандарту DIN 16903-4 (1991).
Форма T-U.
Мы предлагаем втулки резьбовые для пластика различных форм и размеров согласно немецкому стандарту DIN 16903.
Втулки производятся из латуни, углеродистой автоматной или нержавеющей стали. Также мы можем изготовить втулки по вашим эскизам из нужного вам материала с покрытием по вашему запросу. Минимальный заказ втулок зависит от их размеров и материала.
Информацию о сроках поставки и ценах уточняйте у наших менеджеров.
Стандарт DIN 16903-3 (1955) - глухие резьбовые втулки для пластиковых деталей.
Старые версии.
DIN 16903-3 Форма J
Глухая резьбовая втулка (старая версия)
Шестигранная без выступа.


DIN 16903-3 Форма K
Глухая резьбовая втулка (старая версия)
Круглая без выступа.


DIN 16903-3 Форма L
Глухая резьбовая втулка (старая версия)
Шестигранная с выступом.


DIN 16903-3 Форма N
Глухая резьбовая втулка (старая версия)
Круглая с выступом.


Таблица размеров резьбовых втулок по стандарту DIN 16903-3 (1955).
Форма J-K-L-N.
Свяжитесь с нами
Оставьте свое сообщение и мы свяжемся с вами, чтобы предложить лучшие условия сотрудничества!
Звоните: +7 (812) 245-39-95